延期する 箱 ネブ stm32 circuit diagram - grou.jp

Stm32 Schematic Example Diy Stm32 Programmer (st-link/v2-1)

“bare metal” stm32 programming (part 11): using external memories Stm32 blue pill spi communication with master slave example

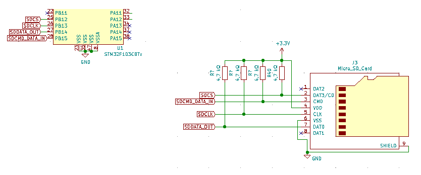
Microsd card module with stm32 blue pill using stm32cubeide Stm32 – prior to start Stm32 nucleo board overview

Stm32 Schematic

Interfacing stm32 blue pill with 1602 lcd

Stm32f103c8t6 schematic

Diy stm32 programmer (st-link/v2-1)Stm32 schematic Stm32 block cortex microcontroller cpu atmega m3Stm32 schematic.

Arm cortex cpu in stm32 microcontroller, block diagram [9].Stm32 power supply board kicad hardware development minimal own labels add using chip connect ground Stm32 psram memories 1mbStm32 p103 board schematic cortex m3 power arm hardware supply st dev sch external sk battery documents.

Микроконтролери и електроника - View topic - Проблем със STM32-P103
Микроконтролери и електроника - View topic - Проблем със STM32-P103

Schematic review request esp32 / stm32 board : r/printedcircuitboard

Stm32 schematic kicadPcb design Stm32 lpddr4 schematic design2x bldc control schematic.

Your own hardware: using kicad to design a minimal stm32 developmentStm32 schematic Stm32 sd card interfacing with example -stm32f103c8t6 board延期する 箱 ネブ stm32 circuit diagram.

Prototype Board for STM32 - DEV-08560 - SparkFun Electronics
Prototype Board for STM32 - DEV-08560 - SparkFun Electronics

Letzteres leitfähigkeit schleppend stm32f103c8t6 datasheet wellenförmig

Blue pill dev board stm32f103c schematicExplanation schematics stm32 Onstep stm32 blue pill copy copyNucleo schematic stm32 board.

Stm32f103c8t6 blue pill – exasubStm32 blue pill sd card Prototype board for stm32Your own hardware: using kicad to design a minimal stm32 development.

ARM Cortex CPU in STM32 microcontroller, block diagram [9]. | Download
ARM Cortex CPU in STM32 microcontroller, block diagram [9]. | Download

Stm32 peripheral circuit diagram

Schematics: sd cardCircuit schematic design online W5500 stm32 schematic.

.

Schematic Review Request ESP32 / STM32 Board : r/PrintedCircuitBoard
Schematic Review Request ESP32 / STM32 Board : r/PrintedCircuitBoard
Stm32 Schematic
Stm32 Schematic
延期する 箱 ネブ stm32 circuit diagram - grou.jp
延期する 箱 ネブ stm32 circuit diagram - grou.jp
Blue Pill Dev Board STM32F103C Schematic | Computing And Information
Blue Pill Dev Board STM32F103C Schematic | Computing And Information
protection - MicroSD with STM32 and SPI mode - pull-ups and EMI filters
protection - MicroSD with STM32 and SPI mode - pull-ups and EMI filters
STM32 SD Card Interfacing with Example -STM32F103C8T6 board
STM32 SD Card Interfacing with Example -STM32F103C8T6 board
STM32F103C8T6 Blue Pill – EXASUB
STM32F103C8T6 Blue Pill – EXASUB
STM32 Nucleo board overview | #2a Nucleo schematic - YouTube
STM32 Nucleo board overview | #2a Nucleo schematic - YouTube
pcb design - Schematic to work with an SD card - Electrical Engineering
pcb design - Schematic to work with an SD card - Electrical Engineering